激光镜片

准直透镜
准直透镜

准直透镜

准直透镜是一种将孔径柱中每个点发出的光转换为平行准直光柱的仪器。

镜头类型取决于像差要求,对于低要求,可以使用简单的镜头,例如平凸透镜或双凸透镜,并且允许较大的相对孔径。要求高的,会使用消色差透镜,相对孔径也适当减小。

准直透镜是Sunday的主打产品之一。我们有标准的,也接受客户定制的。三迪光电有准直透镜有单非球面、双合透镜、三合透镜。

分享:

范围

规格:

外壳材质 铝或铜
镜片 非球面镜片、两片镜片、三片镜片(玻璃)、单胶圈、两片胶圈
尺寸 M6X0.5、M7X0.5、M9X0.5、M8X0.5、M12.7X0.5
波长 405nm-450nm、630-670nm
焦距 2毫米、4.05毫米、6毫米、7毫米、8毫米、10毫米、15毫米、20毫米
长度 7毫米、8毫米、10毫米、12毫米

热忱欢迎客户来样设计!


准直透镜 EFL 2mm

准直透镜EFL2mm,由光学玻璃非球面透镜制成。长度可以是5mm、6.5mm、8mm或定制。直径可定制M6 M7 M8 M9。


准直透镜 安装尺寸:M9*P0.5*6.5mm
镜片材质:D-ZK3玻璃
设计波长:650nm
焦距:2mm
数值孔径:0.54
工作距离:0.7mm
直径:2.4毫米
透过率>95%
镀膜:BBAR 400-700nm
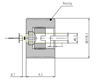
准直透镜 安装尺寸:M7*P0.5*5mm
镜片材质:D-ZK3玻璃
设计波长:650nm
焦距:2mm
数值孔径:0.54
工作距离:0.7mm
直径:2.4毫米
透过率>95%
镀膜:BBAR 400-700nm


G2 透镜 准直透镜 EFL4.02mm

准直透镜EFL4.05mm,由光学玻璃非球面透镜制成。

长度可以是6.5mm、8mm、10mm、14mm或定制。直径可定制。 M9*0.5 M10*0.5

当您需要其他波长时,请随时与我们联系。


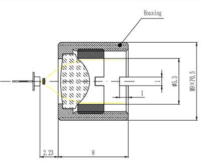
准直透镜 安装尺寸:M9*P0.5*8mm
镜片材质:D-ZK3
设计波长:445nm
焦距:4.05mm
数值孔径:0.6
工作距离:2.23mm
直径:5.3毫米
透过率>95%
涂层:BBAR 400-700n


准直透镜 EFL6mm

准直透镜 安装尺寸:M9*P0.5*8mm
镜片材质:D-ZK3
设计波长:530nm
焦距:6mm
数值孔径:0.2
工作距离:4.71mm
直径:2.4毫米
透过率>95%
镀膜:BBAR 400-700nm


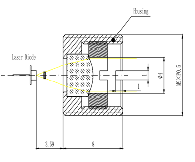
准直透镜 EFL6.2mm

准直透镜 安装尺寸:M9*P0.5*8mm
镜片材质:D-ZK3
设计波长:633nm
焦距:6.20mm
数值孔径:0.3
工作距离:3.59mm
直径:4.0毫米
透过率>95%
镀膜:BBAR 400-700nm


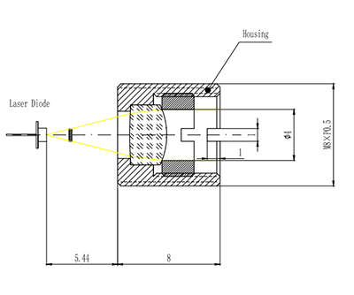
准直透镜 EFL8mm

准直透镜 安装尺寸:M8*P0.5*8mm 或 M9*0.5*10mm
镜片材质:D-ZK3
设计波长:530nm
焦距:8mm
数值孔径:0.25
工作距离:5.44mm
直径:0.25mm
透过率>95%
镀膜:BBAR 400-700nm


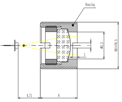
准直透镜 EFL10mm

准直透镜 安装尺寸:M9*P0.5*8mm
镜片材质:L-BAL42
设计波长:786.5nm
焦距:10mm
数值孔径:0.17
工作距离:4.71mm
直径:5.2毫米
透过率>95%
镀膜:AR 786.50nm,R


三合准直透镜 EFL8-10mm

准直透镜 设计波长:405nm 450nm 650nm 850nm
EFL:8毫米/9毫米/10毫米
工作距离:3.8-4mm
数值孔径:0.25
准直度:>0.3 mrad
直径:5毫米
透过率>95%
镀膜:400-700nm 或 700-1100nm

立即联系我们

*
*
  • Afghanistan
  • Albania
  • Algeria
  • American Samoa
  • Andorra
  • Angola
  • Anguilla
  • Antarctica
  • Antigua and Barbuda
  • Argentina
  • Armenia
  • Aruba
  • Australia
  • Austria
  • Azerbaijan
  • Bahamas
  • Bahrain
  • Bangladesh
  • Barbados
  • Belarus
  • Belgium
  • Belize
  • Benin
  • Bermuda
  • Bhutan
  • Bolivia
  • Bosnia and Herzegovina
  • Botswana
  • Bouvet Island
  • Brazil
  • British Indian Ocean Territory
  • Brunei Darussalam
  • Bulgaria
  • Burkina Faso
  • Burundi
  • Cambodia
  • Cameroon
  • Canada
  • Cape Verde
  • Cayman Islands
  • Central African Republic
  • Chad
  • Chile
  • China
  • Christmas Island
  • Cocos (Keeling) Islands
  • Colombia
  • Comoros
  • Congo
  • Cook Islands
  • Costa Rica
  • Cote D'Ivoire
  • Croatia
  • Cuba
  • Cyprus
  • Czech Republic
  • Denmark
  • Djibouti
  • Dominica
  • East Timor
  • Ecuador
  • Egypt
  • El Salvador
  • Equatorial Guinea
  • Eritrea
  • Estonia
  • Ethiopia
  • Falkland Islands (Malvinas)
  • Faroe Islands
  • Fiji
  • Finland
  • France, Metropolitan
  • French Guiana
  • French Polynesia
  • Gabon
  • Gambia
  • Georgia
  • Germany
  • Ghana
  • Gibraltar
  • Greece
  • Greenland
  • Grenada
  • Guadeloupe
  • Guam
  • Guatemala
  • Guinea
  • Guinea-Bissau
  • Guyana
  • Haiti
  • Honduras
  • Hong Kong,China
  • Hungary
  • Iceland
  • India
  • Indonesia
  • Iran (Islamic Republic of)
  • Iraq
  • Ireland
  • Israel
  • Italy
  • Jamaica
  • Japan
  • Jordan
  • Kazakhstan
  • Kenya
  • Kiribati
  • North Korea
  • South Korea
  • Kuwait
  • Kyrgyzstan
  • Lao People's Democratic Republic
  • Latvia
  • Lebanon
  • Lesotho
  • Liberia
  • Libyan Arab Jamahiriya
  • Liechtenstein
  • Lithuania
  • Luxembourg
  • Macau
  • Madagascar
  • Malawi
  • Malaysia
  • Maldives
  • Mali
  • Malta
  • Marshall Islands
  • Martinique
  • Mauritania
  • Mauritius
  • Mayotte
  • Mexico
  • Micronesia
  • Moldova
  • Monaco
  • Mongolia
  • Montserrat
  • Morocco
  • Mozambique
  • Myanmar
  • Namibia
  • Nauru
  • Nepal
  • Netherlands
  • New Caledonia
  • New Zealand
  • Nicaragua
  • Niger
  • Nigeria
  • Niue
  • Norfolk Island
  • Northern Mariana Islands
  • Norway
  • Oman
  • Pakistan
  • Palau
  • Panama
  • Papua New Guinea
  • Paraguay
  • Peru
  • Philippines
  • Pitcairn
  • Poland
  • Portugal
  • Puerto Rico
  • Qatar
  • Reunion
  • Romania
  • Russian Federation
  • Rwanda
  • Saint Kitts and Nevis
  • Saint Lucia
  • Saint Vincent and the Grenadines
  • Samoa
  • San Marino
  • Saudi Arabia
  • Senegal
  • Seychelles
  • Sierra Leone
  • Singapore
  • Slovak Republic
  • Slovenia
  • Solomon Islands
  • Somalia
  • South Africa
  • Spain
  • Sri Lanka
  • St. Helena
  • Sudan
  • Suriname
  • Swaziland
  • Sweden
  • Switzerland
  • Syrian Arab Republic
  • Taiwan, China
  • Tajikistan
  • Tanzania
  • Thailand
  • Togo
  • Tokelau
  • Tonga
  • Trinidad and Tobago
  • Tunisia
  • Turkey
  • Turkmenistan
  • Turks and Caicos Islands
  • Tuvalu
  • Uganda
  • Ukraine
  • United Arab Emirates
  • United Kingdom
  • United States
  • Uruguay
  • Uzbekistan
  • Vanuatu
  • Vatican City State (Holy See)
  • Venezuela
  • Viet Nam
  • Virgin Islands (U.S.)
  • Wallis and Futuna Islands
  • Western Sahara
  • Yemen
  • Zambia
  • Zimbabwe
  • Montenegro
  • Serbia
  • Palestine
  • South Sudan
  • Jersey
*
*

相关产品